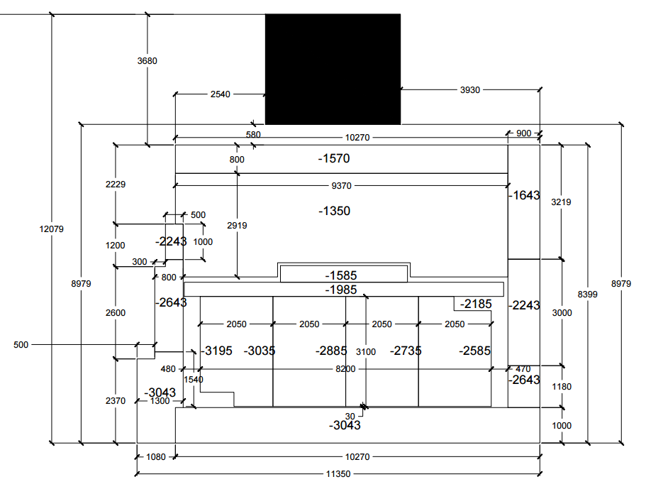
Alrighty, it’s excavation time. To prepare for the dig I made the dig plan below:

Dig plan showing the elevation of each area to be excavated
The large black square is the existing rainwater tank slab and all elevations are relative to it (i.e. it is the zero datum). The excavation elevations are therefore all negative and can be seen in large font. The smaller, positive numbers are all dimensions. As you can see, it’s a pretty complicated excavation.
A 3D model is easier to visualize
I also prepared a 3D representation to get a feel for what it should look like post-excavation. With tiered footings on three sides, a pool with various ledges, and the rear retaining wall, it looks more like a poorly executed game of Tetris than an excavation:

3D representation of final excavation levels
The blue area is where the pool will sit, the purple blocks are the retaining wall footings, and the yellow is the pool deck. The pink areas will be filled, so I’ll try to keep the existing ground as high as possible there.
Here’s the current site from roughly the same angle, albeit from a lower elevation:

The existing site pre-excavation
I’m no surveyor, but I do own a laser and a piece of wood
With a limited budget and tools, my plan is to mount my trusty Dewalt laser on the fence at the zero datum (i.e. top of the rainwater tank slab), and use what I believe is called a leveling staff to check the excavated elevation as I go. My leveling staff is just a long piece of wood with a tape measure stuck to it.
For someone that has never dug a large hole let alone sat in an excavator before, this is definitely going to be a challenge.